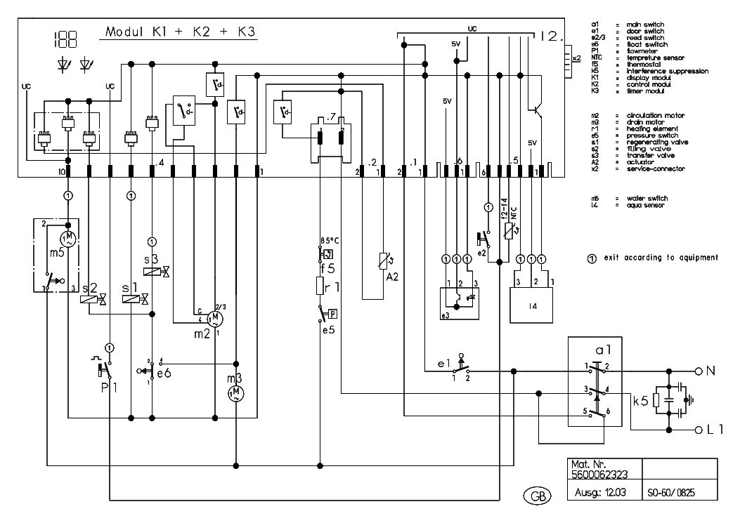
Схемы сма

Схемы сма. Принципиальная схема стиральной машины индезит. Принципиальная схема стиральной машины zanussi. Схема включения стиральных машин барабанного типа. Схема подключения модуля стиральной машины lg.
Схемы сма. Принципиальная схема стиральной машины индезит. Принципиальная схема стиральной машины zanussi. Схема включения стиральных машин барабанного типа. Схема подключения модуля стиральной машины lg.
Электрическая схема стиральной машины bosch maxx 4. Монтажная схема электропроводки стиральной машины. Ardo tl85sx схема. Электросхема стиральной машины bosch maxx. Принципиальная электрическая схема стиральной машины автомат.
Электрическая схема стиральной машины bosch maxx 4. Монтажная схема электропроводки стиральной машины. Ardo tl85sx схема. Электросхема стиральной машины bosch maxx. Принципиальная электрическая схема стиральной машины автомат.
Схемы сма. Электросхема стиральной машины hotpoint ariston. Принципиальная электросхема стиральной машины. Принципиальная схема стиральной машины аристон ai858ctx. Стиральная машина ардо ae800x схема.
Схемы сма. Электросхема стиральной машины hotpoint ariston. Принципиальная электросхема стиральной машины. Принципиальная схема стиральной машины аристон ai858ctx. Стиральная машина ардо ae800x схема.
Принципиальная схема стиральной машины беко. Схема стиральной машинки занусси. Ewm2000 wms схема электрическая принципиальная. Блок питания стиральной машины lg схема. Ewm 1000 plus схема принципиальная платы.
Принципиальная схема стиральной машины беко. Схема стиральной машинки занусси. Ewm2000 wms схема электрическая принципиальная. Блок питания стиральной машины lg схема. Ewm 1000 plus схема принципиальная платы.
Ewm 1000 plus схема электрическая. Ewm2000 принципиальная схема. Стиральная машина indesit wt80 схема электрическая. Индезит стиральная машина принципиальная схема w84tx. Индезит стиральная машина принципиальная схема w84tx.
Ewm 1000 plus схема электрическая. Ewm2000 принципиальная схема. Стиральная машина indesit wt80 схема электрическая. Индезит стиральная машина принципиальная схема w84tx. Индезит стиральная машина принципиальная схема w84tx.
Электросхема стиральной машины ардо а 400. Стиральная машина ardo tl 600 x схема электрическая. Стиральная машина ардо s1000x схема. Схемы сма. Схемы сма.
Электросхема стиральной машины ардо а 400. Стиральная машина ardo tl 600 x схема электрическая. Стиральная машина ардо s1000x схема. Схемы сма. Схемы сма.
Стиральная машина reeson wf 645 схема. Схемы сма. Схемы сма. Электросхема стиральной машины ардо tl600x. Схема блока управления стиральной машины аристон avl 105.
Стиральная машина reeson wf 645 схема. Схемы сма. Схемы сма. Электросхема стиральной машины ардо tl600x. Схема блока управления стиральной машины аристон avl 105.
Принципиальная схема стиральной машины вирпул. Стиральная машина indesit 100 схема электрическая. Схемы сма. Электрическая схема стиральной машины аристон. Схема электрическая стиральная машина zanussi.
Принципиальная схема стиральной машины вирпул. Стиральная машина indesit 100 схема электрическая. Схемы сма. Электрическая схема стиральной машины аристон. Схема электрическая стиральная машина zanussi.
Принципиальные схемы стиральных машин «indesit». Электрическая схема стиральной машинки ардо 1000. Схемы сма. Индезит стиральная машина wisl 82 схема электрическая принципиальная. Схема подключения модуля стиральной машинки аристон.
Принципиальные схемы стиральных машин «indesit». Электрическая схема стиральной машинки ардо 1000. Схемы сма. Индезит стиральная машина wisl 82 схема электрическая принципиальная. Схема подключения модуля стиральной машинки аристон.
Электрическая схема стиральной машины атлант 50у107. Электрическая схема стиральной машины занусси f805n. Схемы сма. Ewm 1000 plus принципиальная электрическая схема. Принципиальная схема посудомоечной машины electrolux.
Электрическая схема стиральной машины атлант 50у107. Электрическая схема стиральной машины занусси f805n. Схемы сма. Ewm 1000 plus принципиальная электрическая схема. Принципиальная схема посудомоечной машины electrolux.
Принципиальная электрическая схема стиральной машины whirlpool. Схемы сма. Принципиальная схема стиральная машина ardo tl105l. Эл схема стиральной машины индезит автомат. Схемы сма.
Принципиальная электрическая схема стиральной машины whirlpool. Схемы сма. Принципиальная схема стиральная машина ardo tl105l. Эл схема стиральной машины индезит автомат. Схемы сма.
Принципиальная электрическая схема стиральной машины. Схемы сма. Схема стиральной машины ардо а400. Электросхема стиральной машины бош. Схемы сма.
Принципиальная электрическая схема стиральной машины. Схемы сма. Схема стиральной машины ардо а400. Электросхема стиральной машины бош. Схемы сма.
Электросхема стиральной машины сименс 500. Стиральная машина ardo tl 600 x схема электрическая. Схема подключения платы стиральной машины whirlpool. Схемы сма. Электросхема стиральной машины индезит wt100.
Электросхема стиральной машины сименс 500. Стиральная машина ardo tl 600 x схема электрическая. Схема подключения платы стиральной машины whirlpool. Схемы сма. Электросхема стиральной машины индезит wt100.
Электросхема стиральной машины ardo tl 400. Эл схема стиральной машины индезит. Электрическая схема стиральной машинки lg. Принципиальная схема стиральной машины бош-4. Принципиальная схема стиральной машины whirlpool.
Электросхема стиральной машины ardo tl 400. Эл схема стиральной машины индезит. Электрическая схема стиральной машинки lg. Принципиальная схема стиральной машины бош-4. Принципиальная схема стиральной машины whirlpool.
Электросхема стиральной машины индезит w105tx. Стиральная машина indesit wt80 электросхема. Схемы сма. Схема платы управления стиральной машины самсунг. Схемы сма.
Электросхема стиральной машины индезит w105tx. Стиральная машина indesit wt80 электросхема. Схемы сма. Схема платы управления стиральной машины самсунг. Схемы сма.
Электрическая схема стиральной машины ardo tl85sx. Схема блока питания стиральной машины indesit. Схемы сма. Стиральная машина whirlpool электросхема. Электросхема стиральной машинки сименс.
Электрическая схема стиральной машины ardo tl85sx. Схема блока питания стиральной машины indesit. Схемы сма. Стиральная машина whirlpool электросхема. Электросхема стиральной машинки сименс.
Электрическая схема стиральной машины атлант 50у107. Схема модуля управления стиральной машины zanussi. Ewm09 схема. Схемы сма. Стиральная машина ardo tl 600 x схема электрическая.
Электрическая схема стиральной машины атлант 50у107. Схема модуля управления стиральной машины zanussi. Ewm09 схема. Схемы сма. Стиральная машина ardo tl 600 x схема электрическая.
Стиральная машина ардо 800 схема подключения модуля. Индезит wisl 83 схема электрическая принципиальная. Электросхема стиральной машины индезит wg421tx. Принципиальная схема блока управления стиральной машины вирпул. Схема блока питания стиральной машины самсунг.
Стиральная машина ардо 800 схема подключения модуля. Индезит wisl 83 схема электрическая принципиальная. Электросхема стиральной машины индезит wg421tx. Принципиальная схема блока управления стиральной машины вирпул. Схема блока питания стиральной машины самсунг.
Схема блока питания стиральной машины индезит. Siemens iq300 схема. Ewm2000 wms схема платы. Принципиальная электрическая схема стиральной машины. Схема стиральной машины indesit wisl 105.
Схема блока питания стиральной машины индезит. Siemens iq300 схема. Ewm2000 wms схема платы. Принципиальная электрическая схема стиральной машины. Схема стиральной машины indesit wisl 105.
Схемы сма. Схема стиральной машины индезит wisl 103. Схемы сма. Стиральная машина indesit w84tx схема электрическая. Принципиальные схемы стиральных машин «indesit».
Схемы сма. Схема стиральной машины индезит wisl 103. Схемы сма. Стиральная машина indesit w84tx схема электрическая. Принципиальные схемы стиральных машин «indesit».