Прошивка м74

Блок м74. М75 эбу. 8. Прошивка м74. Прошивка м74.
Блок м74. М75 эбу. 8. Прошивка м74. Прошивка м74.
Кабель для combiloader 17. Схема подключения м74 can для программирования. 4. Кабель для прошивки м74 своими руками. Кабель прошивка эбу м74м.
Кабель для combiloader 17. Схема подключения м74 can для программирования. 4. Кабель для прошивки м74 своими руками. Кабель прошивка эбу м74м.
4. Адаптер для прошивки эбу ваз 2114. Прошивка м74. Прошивка м74. 4.
4. Адаптер для прошивки эбу ваз 2114. Прошивка м74. Прошивка м74. 4.
Прошивка м74. Прошивка м74. Vag k can ftdi ft232. 9. М74 кан фото процессора.
Прошивка м74. Прошивка м74. Vag k can ftdi ft232. 9. М74 кан фото процессора.
9. 5. Схема эбу м74. Прошивка м74 схема. Прошивка м74.
9. 5. Схема эбу м74. Прошивка м74 схема. Прошивка м74.
Прошивка м74. Ителма м74 can. Прошивка м74. Ителма м74 can. Прошивка м74.
Прошивка м74. Ителма м74 can. Прошивка м74. Ителма м74 can. Прошивка м74.
Прошивка м74. Прошивка м86 ителма. Прошивка м74 на столе. Эбу м74 can. Ителма м74.
Прошивка м74. Прошивка м86 ителма. Прошивка м74 на столе. Эбу м74 can. Ителма м74.
Прошивка м74. 7 схема. Прошивка м74 can. M74 ителма galletto. Прошивка м1.
Прошивка м74. 7 схема. Прошивка м74 can. M74 ителма galletto. Прошивка м1.
Кабель для прошивки эбу м74. 4. 5. Прошивка м74. 8 ителма.
Кабель для прошивки эбу м74. 4. 5. Прошивка м74. 8 ителма.
М74 can процессор. Кабель для combiloader 17. Ителма м74 can. Прошивка м74. Прошивка м6700dw.
М74 can процессор. Кабель для combiloader 17. Ителма м74 can. Прошивка м74. Прошивка м6700dw.
Прошивка эбу м74. Прошивка м74. Прошивка м74. Распиновка vag k can commander 1. M74.
Прошивка эбу м74. Прошивка м74. Прошивка м74. Распиновка vag k can commander 1. M74.
Ителма м74. М74 can кабель для прошивки. Эбу м74 can. Впайка м74can чип. Эбу м 74 кан.
Ителма м74. М74 can кабель для прошивки. Эбу м74 can. Впайка м74can чип. Эбу м 74 кан.
Прошивка м74. М 74 кан доработка. Ftdi ft232rl obd круглый. Прошивка м74. Lm339 vag k+can commander 1.
Прошивка м74. М 74 кан доработка. Ftdi ft232rl obd круглый. Прошивка м74. Lm339 vag k+can commander 1.
М74 эбу плата. Кабель прошивка эбу м74м. 5. Ваз 2114 прошивка эбу. Схема универсального кабеля для combiloader.
М74 эбу плата. Кабель прошивка эбу м74м. 5. Ваз 2114 прошивка эбу. Схема универсального кабеля для combiloader.
М74 классика прошивка. Эбу м74. Эбу м 74 ваз 2114 провод к линия. Прошивка лада калина м74. 7 схема.
М74 классика прошивка. Эбу м74. Эбу м 74 ваз 2114 провод к линия. Прошивка лада калина м74. 7 схема.
Кабель для прошивки эбу м74. Прошивка м74. Прошивка м1. М74 can процессор. Схема для прошивки эбу м74.
Кабель для прошивки эбу м74. Прошивка м74. Прошивка м1. М74 can процессор. Схема для прошивки эбу м74.
Универсальный кабель для combiloader схема проводов. Прошивка м74. Ителма m86can. Ителма м74. Прошивка м75can гранта.
Универсальный кабель для combiloader схема проводов. Прошивка м74. Ителма m86can. Ителма м74. Прошивка м75can гранта.
М74 кабель combiloader. M74can удлинитель. Разъем эбу м74 can. Кабель прошивка эбу м74м. М74 классика прошивка.
М74 кабель combiloader. M74can удлинитель. Разъем эбу м74 can. Кабель прошивка эбу м74м. М74 классика прошивка.
4. Эбу м74. 8. Эбу м74 can. Прошивка м74.
4. Эбу м74. 8. Эбу м74 can. Прошивка м74.
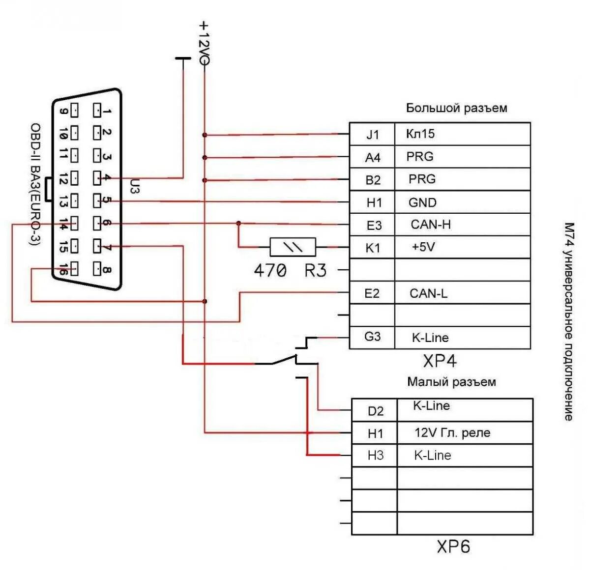
Схема подключения м74 can для программирования. Прошивка м74. Ителма м74. М74 классика прошивка. М74 классика прошивка.
Схема подключения м74 can для программирования. Прошивка м74. Ителма м74. М74 классика прошивка. М74 классика прошивка.